Es war mal wieder an der Zeit, an der Fahrrad-Beleuchtung zu schrauben. Diesmal habe ich mich für
LEDs vom Typ CREE XP-G R4 entschieden.
Technische Daten:
- Durchmesser: 19.9mm
- Abstrahlwinkel: 125°
- Höhe: 4mm
- Leuchtfarbe: weiss (neutral)
- Lumen min.: 130
- Lumen max.: 347.5
- Kelvin min.: 3900
- Kelvin max.: 4250
- mA test.: 350 mA
- mA typ.: 350 mA
- mA max.: 1000 mA
- V typ.: 3 V
- V max.: 4 V
- Sperrspannung: 5 V
- Watt: 1,05 W
Für diese LEDs gibt es Optiken mit unterschiedlichen Abstrahlwinkeln zwischen 6° und 26°.
Der Lichtkegel kann so optimal an die eigenen Bedürfnisse angepasst werden.
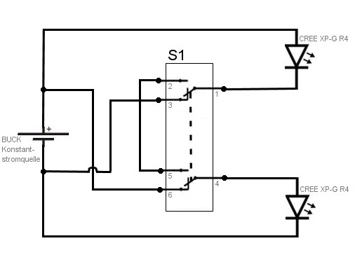
Von den LEDs habe ich für dieses Projekt vier Stück verwendet. Jeweils zwei betreibe ich an je einer Konstantstromquelle mit 1000mA.
Die zwei zusammengehörigen LEDs habe ich über Kippschalter so verdrahtet, dass die LEDs wahlweise in Reihe oder parallel geschaltet werden.
Zwei LEDs in Reihe:
- jede LED wird von einem Ampère durchflossen -> maximale Helligkeit
- die notwendige Spannung beträgt ca 8 Volt.
Zwei LEDs parallel:
- nur 500mA je LED
- geringere Stromaufnahme der Schaltung - nur 4 Volt für beide LEDs
- geringere Wärmeentwicklung an den LEDs
LEDs, Optiken und Konstantstromquelle bekommt man bei
www.led-tech.de
Kühlkörper und Wärmeleitkleber bei
www.reichelt.de
Als Stromquelle habe ich einen 9,6V NiMH Akku verwendet.
Schaltet man die LEDs in Reihe sollte ein größerer Akku gewählt werden.